Загрузил i.neskorodiev

Страницы из Раздел ПД №3-ТКР (могогранная опора)

Взам. инв. №
Подп. и дата
Инв. № подп.
Изм. Кол. уч. Лист № док.
Дата
Формат А4
12-02/25-Нов-ПИР-4011-ТКР.ТЧ
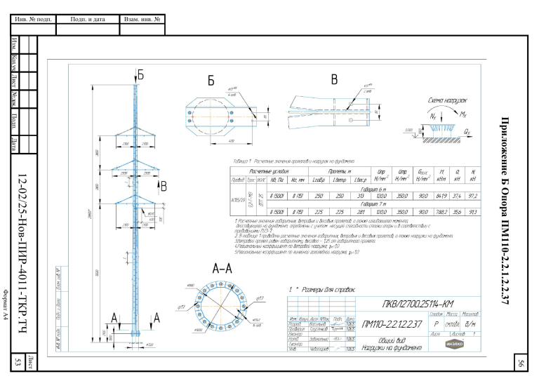
Приложение Б Опора ПМ110-2.2.1.2.2.37
Подп.
56
Лист
53
Привязан
:11-02/25-
Нов -ПИР -4013- ТКР , л .8.2
ГИП
Блинов
Н .контр Смирнова
Привязал Поздеев
Инв . №
09.25
09.25
09.25
Привязан
:11-02/25-
ГИП
Блинов
Н .контр Смирнова
Привязал Поздеев
Инв . №
Нов -ПИР -4011- ТКР , л .8.1
09.25
09.25
09.25
Марка фундамента
Глубина
заложения, м
Грунт основания
Q, т
(параллельно
траверсам)
Q, т
(перпендикуля
рно траверсам)
Угол
поворота
трассы
База опоры, м
Тип опоры
Тип/схема
фундамента
№ опоры
Марка опоры
Nсж, т Nвыр, т
-
4,8
43,75
39,42
6,60
4,59
-
2,6
-
6,3
19,86
13,91
2,65
2,27
-
2,4
-
-
9,1
-
3,56
-
78,8
3,3
-
-
9,1
-
3,56
-
78,8
3,5
-
-
9,1
-
3,56
-
78,8
3,0
-
-
9,1
-
3,56
-
78,8
3,2
-
-
9,1
-
3,56
-
78,8
2,3
-
4,8
15,03
10,68
2,0
1,77
-
4,4
-
-
9,1
-
3,56
-
78,8
0,7
-
-
9,1
-
3,56
-
78,8
0,6
-
4,8
19,58
14,93
2,81
2,16
-
4,2
-
-
9,1
-
3,56
-
78,8
1,4
-
4,8
18,54
14,16
2,72
2,03
-
2,7
-
-
9,1
-
3,56
-
78,8
1,6
-
-
9,1
-
3,56
-
78,8
1,5
-
6,3
22,10
16,07
2,90
2,68
-
0,5
-
-
9,1
-
3,56
-
78,8
0,8
-
6,3
19,82
14,01
2,63
2,36
-
1,1
-
-
9,1
-
3,56
-
78,8
4,2
-
-
9,1
-
3,56
-
78,8
2,3
Особенности
Момент, Вода
тм
отм, м
Подп. и дата
Взам. инв. №
ВЛ 110 кВ Окуловская - Варгусово/ВЛ 110 кВ Газовая - Варгусово
67/265
У110-2
Анкерная
75°56`28``
ФА-1
Ф2,7-3,5-А
3,0
66/264
У110-2+5
Анкерная
21°28`57``
ФА-2
Ф2х2,3-А
3,0
65/263
ПМ110-2.2.1.2.2.37
Промежуточная
0°
ФП-1
-
5,0
64/262
ПМ110-2.2.1.2.2.37
Промежуточная
0°
ФП-1
-
5,0
63/261
ПМ110-2.2.1.2.2.37
Промежуточная
0°
ФП-1
-
5,0
62/260
ПМ110-2.2.1.2.2.37
Промежуточная
0°
ФП-1
-
5,0
61/259
ПМ110-2.2.1.2.2.37
Промежуточная
0°
ФП-1
-
5,0
60/258
У110-2
Анкерная
15°39`31``
ФА-3
Ф2х2,3-А
3,0
59/257
ПМ110-2.2.1.2.2.37
Промежуточная
0°
ФП-4
-
9,6
58/256
ПМ110-2.2.1.2.2.37
Промежуточная
0°
ФП-4
-
9,6
57/255
У110-2
Анкерная
27°28`12``
ФА-3
Ф2х2,3-А
3,0
56/254
ПМ110-2.2.1.2.2.37
Промежуточная
0°
ФП-4
-
7,0
55/253
У110-2
Анкерная
28°31`45``
ФА-3
Ф2х2,3-А
3,0
54/252
ПМ110-2.2.1.2.2.37
Промежуточная
0°
ФП-1
-
5,0
53/251
ПМ110-2.2.1.2.2.37
Промежуточная
0°
ФП-1
-
5,0
52/250
У110-2+5
Анкерная
23°47`55``
ФА-2
Ф2х2,3-А
3,0
51/249
ПМ110-2.2.1.2.2.37
Промежуточная
0°
ФП-2
-
6,0
50/248
У110-2+5
Анкерная
23°28`48``
ФА-2
Ф2х2,3-А
3,0
49/247
ПМ110-2.2.1.2.2.37
Промежуточная
0°
ФП-1
-
5,0
48/246
ПМ110-2.2.1.2.2.37
Промежуточная
0°
ФП-1
-
5,0
ИГЭ-3а - Суглинок легкий,
песчанистый, полутвердый
ИГЭ-3а - Суглинок легкий,
песчанистый, полутвердый
ИГЭ-3а - Суглинок легкий,
песчанистый, полутвердый
ИГЭ-3а - Суглинок легкий,
песчанистый, полутвердый
ИГЭ-3а - Суглинок легкий,
песчанистый, полутвердый
ИГЭ-3б - Суглинок легкий,
песчанистый и тяжелый пылеватый,
тугопластичный
ИГЭ-3б - Суглинок легкий,
песчанистый и тяжелый пылеватый,
тугопластичный
ИГЭ-3а - Суглинок легкий,
песчанистый, полутвердый
ИГЭ-3б - Суглинок легкий,
песчанистый и тяжелый пылеватый,
тугопластичный
ИГЭ-2б – Песок мелкий, средней
плотности, от влажного до
водонасыщенного
ИГЭ-3б - Суглинок легкий,
песчанистый и тяжелый пылеватый,
тугопластичный
ИГЭ-3б - Суглинок легкий,
песчанистый и тяжелый пылеватый,
тугопластичный
ИГЭ-3а - Суглинок легкий,
песчанистый, полутвердый
ИГЭ-3б - Суглинок легкий,
песчанистый и тяжелый пылеватый,
тугопластичный
ИГЭ-3б - Суглинок легкий,
песчанистый и тяжелый пылеватый,
тугопластичный
ИГЭ-3б - Суглинок легкий,
песчанистый и тяжелый пылеватый,
тугопластичный
ИГЭ-4 - Суглинок легкий, пылеватый,
полутвердый
ИГЭ-3а - Суглинок легкий,
песчанистый, полутвердый
ИГЭ-3а - Суглинок легкий,
песчанистый, полутвердый
ИГЭ-4 - Суглинок легкий, пылеватый,
полутвердый
12-02/25-Íîâ-ÏÈÐ-4011-ÒÊÐ
Инв. № подл.
Èçì.
Êîë.ó÷
Ðàçðàáîòàë
Ëèñò
№ äîê.
Ïîäïèñü
Äàòà
Ìåäâåäåâ
09.25
Íåâçîðîâ
09.25
ÃÈÏ
Áëèíîâ
09.25
Í.êîíòðîëü
Ñìèðíîâà
09.25
Ïðîâåðèë
Âåäîìîñòü ôóíäàìåíòîâ, ñâîäíàÿ
âåäîìîñòü
Ñòàäèÿ
Ëèñò
Ëèñòîâ
Ï
22.1
14
ÎÎÎ "Ñåâåðýíåðãîïðîåêò"
5,0
0°
ФП-1
-
5,0
Промежуточная
0°
ФП-2
-
6,0
ПМ110-2.2.1.2.2.37
Промежуточная
0°
ФП-2
-
6,0
43/241
У110-2
Анкерная
74°29`56``
ФА-1
Ф2,7-3,5-А
3,0
42/240
ПМ110-2.2.1.2.2.37
Промежуточная
0°
ФП-2
-
6,0
Тип опоры
47/245
ПМ110-2.2.1.2.2.37
Промежуточная
0°
46/244
ПМ110-2.2.1.2.2.37
Промежуточная
45/243
ПМ110-2.2.1.2.2.37
44/242
Грунт основания
Q, т
(параллельно
траверсам)
Q, т
(перпендикуля
рно траверсам)
-
Марка опоры
Особенности
База опоры, м
Тип/схема
фундамента
ФП-1
№ опоры
Марка фундамента
Глубина
заложения, м
Угол
поворота
трассы
-
-
9,1
-
3,56
-
78,8
2,1
-
-
9,1
-
3,56
-
78,8
2,3
-
-
9,1
-
3,56
-
78,8
0,6
-
-
9,1
-
3,56
-
78,8
0,9
-
4,8
46,91
39,90
6,80
5,15
-
0,4
-
-
9,1
-
3,56
-
78,8
0,8
ИГЭ-4 - Суглинок легкий, пылеватый,
полутвердый
ИГЭ-4 - Суглинок легкий, пылеватый,
полутвердый
ИГЭ-4 - Суглинок легкий, пылеватый,
полутвердый
ИГЭ-4 - Суглинок легкий, пылеватый,
полутвердый
ИГЭ-3в - Суглинок легкий,
пылеватый, текучепластичный
ИГЭ-4 - Суглинок легкий, пылеватый,
полутвердый
Nсж, т Nвыр, т
Момент, Вода
тм
отм, м
Сводная ведомость фундаментов ВЛ 110 кВ
Тип фундамента
ФП-1
ФП-2
ФП-3
ФП-4
Всего
11
4
1
2
18
2
3
3
8
26
Инв. № подл.
Подп. и дата
Взам. инв. №
ФА-1
ФА-2
ФА-3
Ссылка на лист
Промежуточные
12-02/25-Нов-ПИР-4011-ТКР л.23.1
12-02/25-Нов-ПИР-4011-ТКР л.23.2
12-02/25-Нов-ПИР-4011-ТКР л.23.3
12-02/25-Нов-ПИР-4011-ТКР л.23.4
Итого промежуточных:
Анкерные
12-02/25-Нов-ПИР-4011-ТКР л.23.5
12-02/25-Нов-ПИР-4011-ТКР л.23.6
12-02/25-Нов-ПИР-4011-ТКР л.23.7
Итого анкерных:
Всего опор:
Èçì.
Êîë.
ó÷
Ëèñò № äîê.
Ïîäïèñü
Äàòà
12-02/25-Íîâ-ÏÈÐ-4011-ÒÊÐ
Лист
22.2
УСТАНОВОЧНЫЕ РАЗМЕРЫ И ОБЪЕМЫ ЗЕМЛЯНЫХ РАБОТ
Фундамент ФП -1
1
1
2
65/263; 64/262;63/261;
62/260; 61/259;54/252;
53/251;49/247;48/246; ПМ 110-2.2.1.2.2.37
47/245; 46/244
1
5960
5000
4 отверстия
Ф18мм
Инв. № подл.
Ø880
Ø39±1,0
16 отв .
10
0
Ø68
Ø880
Ø10
00
6
7
0°
5,0
2,5
0,5
2,5
Полость
Ø10
00
10
Кол
Масса Примечание
ед .кг
1
1
ГОСТ 10704-91
1
1043,54
1043,54
2
ГОСТ 19903-74
-1000 х 1000 мм t=40 мм
1
168,8
Обрезать по
чертежу
3
ГОСТ 19903-74
-300 х 140 t=12 мм
16
3,96
63,30
4
ГОСТ 19903-74
Ø740 мм t=10 мм
Песок средний ( с коэфф . 1,1)
1 33,80
3,0
33,80
м3
4
1. За относительную отметку 0,000 принят уровень земли в основании места расположения опоры ;
2. Все работы по установке фундаментов должны выполняться в соответствии с СП 45.13330.2017 Земляные сооружения , основания и
фундаменты , СП 76.13330.2016 Электротехнические устройства , СП 70.13330.2012 Несущие и ограждающие конструкции , СП 72.13330.2016
Защита строительных конструкций и сооружений от коррозии ;
3. Бурение скважины производить с использованием обсадной трубы ;
4. Обсадная труба извлекается перед погружением фундамента ;
5. Запрещается применять для обратной засыпки дерн , торф , растительные , иловые и другие грунты с примесью органических веществ ;
6. Обратная засыпка пазух скважины производится песком средним слоями 20-30 см с тщательным трамбованием каждого слоя и
доведением объемного веса до 1,7 т / м 3 ;
7. Металлические конструкции выполнить из стали марки С 245 по ГОСТ 27772-2021 или аналогичной , соответствующей требованиям
Приложения В СП 16.13330.2017;
8. Антикоррозийную защиту металлических конструкций выполнить в заводских условиях методом горячего цинкования с последующим
нанесением эмали КО -198 в 2 слоя ( суммарная толщина покрытия КО -198 составляет 200 мкм , расход на 1 слой 220 г / м 2 ,
S 1 слоя =17,0 м 2 );
9. Сварку выполнять в соответствии с ГОСТ 5264-80* электродами Э 50 А по ГОСТ 9467-75;
10. Катеты сварных швов принимать по наименьшей толщине свариваемых элементов .
12-02/25- Нов -ПИР -4011- ТКР
130
140
10
1
Позиция 3
23°
3
Ø720
Ø740
300
Ø39±1,0
16 отв .
50
50
23°
5
Пазухи
Т -1
Труба 720 х 10 L=5960 мм
ГОСТ 8736-2014
4
Позиция 2
1-1
2
Ø720
Ø740
4
Наименование
10
Подп. и дата
Согласовано
Н.контр.
Взам. инв. № Провер.
Изм. внес
40 Ø720 40
Ø800
Обозначение
Поз .
Т-1
-5.000
3
Засыпка привозным песком
средним , с коэф . 1,1
Спецификация элементов фундамента ФП -1
6000
Засыпка пазух и
полости песком
Бурение , м 3
3
1
Номер опоры
Бурение , м
0.000
2
Угол поворота
1000
+1.000
Поз.1
Ø720
40
Т-1
Ø1000
ПМ110-2.2.1.2.2.37
Тип опоры
Земляные работы , м 3
Изм. Кол. уч. Лист № док. Подпись
Разраб.
Горбунов
Проверил
ГИП
Невзоров
Блинов
Дата
09.25
09.25
09.25
Н.контр.
Смирнова
09.25
«Реконструкция ВЛ 110 кВ Окуловская -Варгусово / ВЛ 110 кВ Газовая - Варгусово ( ориентировочная протяженность двухцепного
участка ЛЭП 4,0 км ), ВЛ -10 кВ Л -1, Л -2, Л -3, Л -4 ПС 110 кВ Варгусово ( ориентировочная протяженность участков ЛЭП 24,74 км )
в Окуловском районе Новгородской области , входящих в единый недвижимый комплекс ПС 110/10 кВ Варгусово , участков ВЛ 110 кВ
Л .Окуловская -3, Л .Окуловская -5 от существующей ВЛ 110 кВ , и отходящих ЛЭП 10 кВ для электроснабжения объектов
технологического присоединения ГК "Росавтодор " ( БРТП №141, БРТП №149) ( Соглашение о компенсации № КРП -НОВ -00008/24 рег
№630/519/24 от 18.10.2024 г . с ООО "ВСМ Две Столицы "). 3 этап - Строительство участка Валдай ВСМ ( вкл .) - Выползово ВСМ
( вкл .)» ( ИП № Р _000-61-1-01.12-4011)
Технологические и конструктивные
решения линейного объекта .
Искусственные сооружения
Тип закрепления промежуточной
опоры ФП -1
Копировал
Стадия
Лист
Листов
П
23.1
7
ООО "Северэнергопроект "
Формат А3
УСТАНОВОЧНЫЕ РАЗМЕРЫ И ОБЪЕМЫ ЗЕМЛЯНЫХ РАБОТ
Фундамент ФП -2
1
2
51/249 ;45/243;
ПМ 110-2.2.1.2.2.37
44/242;42/240
1
6960
6000
Поз .
Т-1
4 отверстия
Ф18мм
Инв. № подл.
Ø880
Ø39±1,0
16 отв .
10
0
Ø68
Ø880
Ø10
00
5
6
7
0°
6,0
3,0
0,6
3,0
Пазухи
Полость
Ø10
00
10
Кол
Масса Примечание
ед .кг
1
ГОСТ 10704-91
Т -1
Труба 720 х 10 L=6960 мм
1
1
1218,63
1218,63
2
ГОСТ 19903-74
-1000 х 1000 мм t=40 мм
1
168,8
Обрезать по
чертежу
3
ГОСТ 19903-74
-300 х 140 t=12 мм
16
3,96
63,30
4
ГОСТ 19903-74
Ø740 мм t=10 мм
Песок средний ( с коэфф . 1,1)
1 33,80
3,6
33,80
м3
4
1. За относительную отметку 0,000 принят уровень земли в основании места расположения опоры ;
2. Все работы по установке фундаментов должны выполняться в соответствии с СП 45.13330.2017 Земляные сооружения , основания и
фундаменты , СП 76.13330.2016 Электротехнические устройства , СП 70.13330.2012 Несущие и ограждающие конструкции , СП 72.13330.2016
Защита строительных конструкций и сооружений от коррозии ;
3. Бурение скважины производить с использованием обсадной трубы ;
4. Обсадная труба извлекается перед погружением фундамента ;
5. Запрещается применять для обратной засыпки дерн , торф , растительные , иловые и другие грунты с примесью органических веществ ;
6. Обратная засыпка пазух скважины производится песком средним слоями 20-30 см с тщательным трамбованием каждого слоя и
доведением объемного веса до 1,7 т / м 3 ;
7. Металлические конструкции выполнить из стали марки С 245 по ГОСТ 27772-2021 или аналогичной , соответствующей требованиям
Приложения В СП 16.13330.2017;
8. Антикоррозийную защиту металлических конструкций выполнить в заводских условиях методом горячего цинкования с последующим
нанесением эмали КО -198 в 2 слоя ( суммарная толщина покрытия КО -198 составляет 200 мкм , расход на 1 слой 220 г / м 2 ,
S 1 слоя =19,5 м 2 );
9. Сварку выполнять в соответствии с ГОСТ 5264-80* электродами Э 50 А по ГОСТ 9467-75;
10. Катеты сварных швов принимать по наименьшей толщине свариваемых элементов .
12-02/25- Нов -ПИР -4011- ТКР
130
140
10
1
Позиция 3
23°
3
Ø720
Ø740
300
23°
Ø39±1,0
16 отв .
4
Позиция 2
1-1
2
Ø720
Ø740
4
Наименование
10
Подп. и дата
Согласовано
Н.контр.
Взам. инв. № Провер.
Изм. внес
40 Ø720 40
Ø800
Обозначение
ГОСТ 8736-2014
50
50
-6.000
3
Засыпка привозным песком
средним , с коэф . 1,1
Спецификация элементов фундамента ФП -2
7000
Засыпка пазух и
полости песком
Бурение , м 3
1
Бурение , м
0.000
3
1
Номер опоры
Угол поворота
1000
+1.000
Поз.1
Ø720
2
40
Т-1
Ø1000
ПМ110-2.2.1.2.2.37
Тип опоры
Земляные работы , м 3
Изм. Кол. уч. Лист № док. Подпись
Разраб.
Горбунов
Проверил
ГИП
Невзоров
Блинов
Дата
09.25
09.25
09.25
Н.контр.
Смирнова
09.25
« Реконструкция ВЛ 110 кВ Окуловская -Варгусово / ВЛ 110 кВ Газовая - Варгусово ( ориентировочная протяженность двухцепного
участка ЛЭП 4,0 км ), ВЛ -10 кВ Л -1, Л -2, Л -3, Л -4 ПС 110 кВ Варгусово ( ориентировочная протяженность участков ЛЭП 24,74 км )
в Окуловском районе Новгородской области , входящих в единый недвижимый комплекс ПС 110/10 кВ Варгусово , участков ВЛ 110 кВ
Л .Окуловская -3, Л .Окуловская -5 от существующей ВЛ 110 кВ , и отходящих ЛЭП 10 кВ для электроснабжения объектов
технологического присоединения ГК "Росавтодор " ( БРТП №141, БРТП №149) ( Соглашение о компенсации № КРП -НОВ -00008/24 рег
№630/519/24 от 18.10.2024 г . с ООО "ВСМ Две Столицы "). 3 этап - Строительство участка Валдай ВСМ ( вкл .) - Выползово ВСМ
( вкл .)» ( ИП № Р _000-61-1-01.12-4011)
Технологические и конструктивные
решения линейного объекта .
Искусственные сооружения
Тип закрепления промежуточной
опоры ФП -2
Копировал
Стадия
Лист
Листов
П
23.2
-
ООО "Северэнергопроект "
Формат А3
УСТАНОВОЧНЫЕ РАЗМЕРЫ И ОБЪЕМЫ ЗЕМЛЯНЫХ РАБОТ
Фундамент ФП -3
5
6
7
56/254
ПМ 110-2.2.1.2.2.37
0°
7,0
3,5
0,7
3,4
7960
8000
300
Ø39±1,0
16 отв .
10
0
Ø68
Ø880
Наименование
00
Полость
Ø10
00
10
Кол
Масса Примечание
ед .кг
1
1
ГОСТ 10704-91
1
1393,72
1393,72
2
ГОСТ 19903-74
-1000 х 1000 мм t=40 мм
1
168,8
Обрезать по
чертежу
3
ГОСТ 19903-74
-300 х 140 t=12 мм
16
3,96
63,30
4
ГОСТ 19903-74
Ø740 мм t=10 мм
Песок средний ( с коэфф . 1,1)
1
4,1
33,80
33,80
м3
4
1. За относительную отметку 0,000 принят уровень земли в основании места расположения опоры ;
2. Все работы по установке фундаментов должны выполняться в соответствии с СП 45.13330.2017 Земляные сооружения , основания и
фундаменты , СП 76.13330.2016 Электротехнические устройства , СП 70.13330.2012 Несущие и ограждающие конструкции , СП 72.13330.2016
Защита строительных конструкций и сооружений от коррозии ;
3. Бурение скважины производить с использованием обсадной трубы ;
4. Обсадная труба извлекается перед погружением фундамента ;
5. Запрещается применять для обратной засыпки дерн , торф , растительные , иловые и другие грунты с примесью органических веществ ;
6. Обратная засыпка пазух скважины производится песком средним слоями 20-30 см с тщательным трамбованием каждого слоя и
доведением объемного веса до 1,7 т / м 3 ;
7. Металлические конструкции выполнить из стали марки С 245 по ГОСТ 27772-2021 или аналогичной , соответствующей требованиям
Приложения В СП 16.13330.2017;
8. Антикоррозийную защиту металлических конструкций выполнить в заводских условиях методом горячего цинкования с последующим
нанесением эмали КО -198 в 2 слоя ( суммарная толщина покрытия КО -198 составляет 200 мкм , расход на 1 слой 220 г / м 2 ,
S 1 слоя =21,6 м 2 );
9. Сварку выполнять в соответствии с ГОСТ 5264-80* электродами Э 50 А по ГОСТ 9467-75;
10. Катеты сварных швов принимать по наименьшей толщине свариваемых элементов .
12-02/25- Нов -ПИР -4011- ТКР
130
140
10
Ø10
Пазухи
Т -1
Труба 720 х 10 L=7960 мм
10
Ø880
Ø720
Ø740
Позиция 3
23°
3
1
50
50
23°
Обозначение
ГОСТ 8736-2014
4
Позиция 2
1-1
2
Ø720
Ø740
Тип опоры
4
Поз .
7000
40 Ø720 40
Ø800
Подп. и дата
3
Засыпка привозным песком
средним , с коэф . 1,1
Спецификация элементов фундамента ФП -4
4 отверстия
Ф18мм
-7.000
Инв. № подл.
2
1
Т-1
Согласовано
Н.контр.
Взам. инв. № Провер.
Изм. внес
1
Номер опоры
1
Засыпка пазух и
полости песком
Ø39±1,0
16 отв .
Бурение , м 3
0.000
3
1
Бурение , м
1000
+1.000
Поз.1
Ø720
2
40
Т-1
Ø1000
ПМ110-2.2.1.2.2.37
Угол поворота
Земляные работы , м 3
Изм. Кол. уч. Лист № док. Подпись
Разраб.
Горбунов
Проверил
ГИП
Невзоров
Блинов
Дата
09.25
09.25
09.25
Н.контр.
Смирнова
09.25
« Реконструкция ВЛ 110 кВ Окуловская -Варгусово / ВЛ 110 кВ Газовая - Варгусово ( ориентировочная протяженность двухцепного
участка ЛЭП 4,0 км ), ВЛ -10 кВ Л -1, Л -2, Л -3, Л -4 ПС 110 кВ Варгусово ( ориентировочная протяженность участков ЛЭП 24,74 км )
в Окуловском районе Новгородской области , входящих в единый недвижимый комплекс ПС 110/10 кВ Варгусово , участков ВЛ 110 кВ
Л .Окуловская -3, Л .Окуловская -5 от существующей ВЛ 110 кВ , и отходящих ЛЭП 10 кВ для электроснабжения объектов
технологического присоединения ГК "Росавтодор " ( БРТП №141, БРТП №149) ( Соглашение о компенсации № КРП -НОВ -00008/24 рег
№630/519/24 от 18.10.2024 г . с ООО "ВСМ Две Столицы "). 3 этап - Строительство участка Валдай ВСМ ( вкл .) - Выползово ВСМ
( вкл .)» ( ИП № Р _000-61-1-01.12-4011)
Технологические и конструктивные
решения линейного объекта .
Искусственные сооружения
Тип закрепления промежуточной
опоры ФП -3
Копировал
Стадия
Лист
Листов
П
23.3
-
ООО "Северэнергопроект "
Формат А3
1-1
Фундамент ФП -4
Наголовник сваи
1
1
+1.000
525
1
80
2000
0.000
1
Ø100
0
болото ( торф )
Поз.2
2
Ø880
160
Ø325
Ростверк Р -3
20
160
Ø39
16 отв .
20
+0.420
20
180
20
Ростверк Р -3
80
2
5
Ø52
20
45°
Св -2
Св -2
минеральный
грунт
Ø325
2000
Ø325
Спецификация элементов фундамента ФП -4
Поз .
Инв. № подл.
Подп. и дата
Согласовано
Н.контр.
Взам. инв. № Провер.
Изм. внес
Св -2 ТУ 5264-005-82096320-2013
-9.600
Ø850
Ø850
Ростверк Р -3.
Общий вид
Кол
Масса Примечание
ед .кг
ВСЛ .10.325.09 Г 2 С .850.35 Л
4
935
1
ГОСТ 19903-2015
-20 х 525 х 525
4
43.3
2
ГОСТ 19903-2015
-10 х 100 х 180
Смесь сухая цем -песч . 1:4
32
1.4
ГОСТ 31357-2007
Р -3
2000
1. За относительную отметку 0,000 принят уровень земли в основании места
расположения опоры ;
2. Все работы по установке фундаментов должны выполняться в соответствии
с СП 45.13330.2017 Земляные сооружения , основания и фундаменты , СП
76.13330.2016 Электротехнические устройства , СП 70.13330.2012 Несущие и
ограждающие конструкции , СП 72.13330.2016 Защита строительных конструкций
и сооружений от коррозии ;
3. Металлические конструкции выполнить из стали марки С 245 по ГОСТ
27772-2021 или аналогичной , соответствующей требованиям Приложения В
СП 16.13330.2017;
4. Ростверк Р -3 изготавливается производителем опор ( Инэлко ) и
поставляется комплектно с опорой
5. Антикоррозийную защиту металлических конструкций ростверка выполнить в
заводских условиях методом горячего цинкования , винтовых свай в заводских
условиях методом горячего цинкования с покрытием эмалью КО -198 в 2 слоя
( суммарная толщина покрытия КО -198 составляет 200 мкм , расход на 1 слой
220 г / м 2 , S 1 слоя =50 м 2 );
6. Сварку выполнять в соответствии с ГОСТ 5264-80* электродами Э 50 А по
ГОСТ 9467-75;
7. Катеты сварных швов принимать по наименьшей толщине свариваемых
элементов .
8. После установки свай их внутреннюю полость засыпать сухой
цементно -песчаной смесью пропорции 1:4.
Наименование
Обозначение
25139- КМ ( ООО « ИНЭЛКО ») Ростверк Р -3
ООО « ИНЭЛКО »
Монтажный комплект
3
м3
1
1750
1
44
ГОСТ 7798-70
Болт М 36 х 160.88
16
ГОСТ 5915-70
Гайка М36.8
32
ГОСТ 11371-78
Шайба 36
32
12-02/25- Нов -ПИР -4011- ТКР
Изм. Кол. уч. Лист № док. Подпись
Разраб.
Горбунов
Проверил
ГИП
Невзоров
Блинов
Дата
09.25
09.25
09.25
Н.контр.
Смирнова
09.25
« Реконструкция ВЛ 110 кВ Окуловская -Варгусово / ВЛ 110 кВ Газовая - Варгусово ( ориентировочная протяженность двухцепного
участка ЛЭП 4,0 км ), ВЛ -10 кВ Л -1, Л -2, Л -3, Л -4 ПС 110 кВ Варгусово ( ориентировочная протяженность участков ЛЭП 24,74 км )
в Окуловском районе Новгородской области , входящих в единый недвижимый комплекс ПС 110/10 кВ Варгусово , участков ВЛ 110 кВ
Л .Окуловская -3, Л .Окуловская -5 от существующей ВЛ 110 кВ , и отходящих ЛЭП 10 кВ для электроснабжения объектов
технологического присоединения ГК "Росавтодор " ( БРТП №141, БРТП №149) ( Соглашение о компенсации № КРП -НОВ -00008/24 рег
№630/519/24 от 18.10.2024 г . с ООО "ВСМ Две Столицы "). 3 этап - Строительство участка Валдай ВСМ ( вкл .) - Выползово ВСМ
( вкл .)» ( ИП № Р _000-61-1-01.12-4011)
Технологические и конструктивные
решения линейного объекта .
Искусственные сооружения
Тип закрепления промежуточной
опоры ФП -4
Копировал
Стадия
Лист
Листов
П
23.4
-
ООО "Северэнергопроект "
Формат А3
Спецификация
Опора П20-3Н
1
1
Опора П20-3Н
200
2
1
4
5
2000
1800
1
4
5
2
3
0.000
3
2
2
1000
1
болото
Ø377
Заземляющий
выпуск
Поз .
Обозначение
Наименование
1
ГОСТ 8732-78
2
3
1
490.08
ГОСТ 2590-2006
3
0.88
3
ГОСТ 8509-93
Уголок 90 х 6, L=310 мм
2
2.58
4
ГОСТ 5915-70
Гайка М 20
6
5
ГОСТ 11371-78
6
6
ГОСТ 2590-2006
Шайба 20
Круг В 24, L=460 мм
2
2-2
1
3
2
3
4
5
1
1.63
3-3
Заземляющий
выпуск
3
1
2
4
5
отв .Ø40
1810
6000
50
2 отв .Ø23
2 отв .Ø25
5
Подп. и дата
90
50
310
210
50
50
Позиция 2
М 20
1.5 х 45°
55
355
55
Ø40
77
50
Ø40
Ø3
210
6-6
7
90
90
Концы опорного
стержня поз .6
приварить к трубе поз .1
5-5
2 отв .Ø40
7
Ø3
6
Сварку производить
после затяжки гаек поз .4
на шпильках поз .2
Позиция 1
6
5
1
310
1
2
Заземляющий
выпуск
Ø25
100
2
4-4
Позиция 3
Инв. № подл.
4
6
1
Согласовано
Н.контр.
Взам. инв. № Провер.
Изм. внес
3
4
5
Ø25
Ø377
2
200 250
4
-4.000
4
5
210
3
1
210
3000
минеральный
грунт
Масса Примечание
ед .кг
Труба Ø377 х 9 L=6000 мм
Круг В 20, L=355 мм
1-1
2
Кол
1. За относительную отметку 0,000 принят уровень земли в основании места
расположения опоры ;
2. Все работы по установке фундаментов должны выполняться в соответствии с СП
45.13330.2017 Земляные сооружения , основания и фундаменты , СП 76.13330.2016
Электротехнические устройства , СП 70.13330.2012 Несущие и ограждающие конструкции ,
СП 72.13330.2016 Защита строительных конструкций и сооружений от коррозии ;
3. Металлические конструкции выполнить из стали марки С 245 по ГОСТ 27772-2021 или
аналогичной , соответствующей требованиям Приложения В СП 16.13330.2017;
4. Антикоррозийную защиту металлических конструкций выполнить в заводских условиях
методом горячего цинкования с последующим нанесением эмали КО -198 в 2 слоя
( суммарная толщина покрытия КО -198 составляет 200 мкм , расход на 1 слой 220 г / м 2 ,
S 1 слоя =7,5 м 2 );
5. Сварку выполнять в соответствии с ГОСТ 5264-80* электродами Э 42 по ГОСТ
9467-75;
6. Катеты сварных швов принимать по наименьшей толщине свариваемых элементов .
6
12-02/25- Нов -ПИР -4011- ТКР
Изм. Кол. уч. Лист № док. Подпись
Разраб.
Блинова
Проверил
ГИП
Невзоров
Блинов
Дата
08.25
08.25
08.25
Н.контр.
Смирнова
08.25
« Реконструкция ВЛ 110 кВ Окуловская -Варгусово / ВЛ 110 кВ Газовая - Варгусово ( ориентировочная протяженность двухцепного
участка ЛЭП 4,0 км ), ВЛ -10 кВ Л -1, Л -2, Л -3, Л -4 ПС 110 кВ Варгусово ( ориентировочная протяженность участков ЛЭП 24,74 км )
в Окуловском районе Новгородской области , входящих в единый недвижимый комплекс ПС 110/10 кВ Варгусово , участков ВЛ 110 кВ
Л .Окуловская -3, Л .Окуловская -5 от существующей ВЛ 110 кВ , и отходящих ЛЭП 10 кВ для электроснабжения объектов
технологического присоединения ГК "Росавтодор " ( БРТП №141, БРТП №149) ( Соглашение о компенсации № КРП -НОВ -00008/24 рег
№630/519/24 от 18.10.2024 г . с ООО "ВСМ Две Столицы "). 3 этап - Строительство участка Валдай ВСМ ( вкл .) - Выползово ВСМ
( вкл .)» ( ИП № Р _000-61-1-01.12-4011)
Технологические и конструктивные
решения линейного объекта .
Искусственные сооружения
Стадия
Лист
Листов
П
24.1
9
Закрепление промежуточной опоры ООО "Северэнергопроект "
П -1
Копировал
Формат А3
Спецификация
Опора П20-3Н
1
1
Опора П20-3Н
200
2
1
4
5
2000
1800
1
4
5
2
3
0.000
3
2
2
1
1
ГОСТ 8732-78
2
Кол
Масса Примечание
ед .кг
1
571.76
ГОСТ 2590-2006
Труба Ø377 х 9 L=7000 мм
Круг В 20, L=355 мм
3
0.88
3
ГОСТ 8509-93
Уголок 90 х 6, L=310 мм
2
2.58
4
ГОСТ 5915-70
Гайка М 20
6
5
ГОСТ 11371-78
6
6
ГОСТ 2590-2006
Шайба 20
Круг В 24, L=460 мм
1
1.63
2
1
2
210
4
5
Сварку производить
после затяжки гаек поз .4
на шпильках поз .2
Позиция 1
6
5
90
Ø40
90
1810
6-6
7
Концы опорного
стержня поз .6
приварить к трубе поз .1
5-5
2 отв .Ø40
7
Ø3
6
3-3
Заземляющий
выпуск
3
1
2
Заземляющий
выпуск
отв .Ø40
1
310
4
5
4-4
Позиция 3
3
4
6
1
Ø377
3
2
Ø25
-7.000
1
3
4
5
100
1
2
200 250
3000
4
4
5
3
2
210
3
минеральный
грунт
2-2
1-1
2
50
50
2 отв .Ø23
90
Подп. и дата
50
310
210
50
Позиция 2
М 20
1.5 х 45°
55
355
55
Ø40
77
7000
210
50
Ø3
Инв. № подл.
Наименование
Ø25
болото
Согласовано
Н.контр.
Взам. инв. № Провер.
Изм. внес
Обозначение
2000
Ø377
Заземляющий
выпуск
Поз .
2 отв .Ø25
5
1. За относительную отметку 0,000 принят уровень земли в основании места
расположения опоры ;
2. Все работы по установке фундаментов должны выполняться в соответствии с СП
45.13330.2017 Земляные сооружения , основания и фундаменты , СП 76.13330.2016
Электротехнические устройства , СП 70.13330.2012 Несущие и ограждающие конструкции ,
СП 72.13330.2016 Защита строительных конструкций и сооружений от коррозии ;
3. Металлические конструкции выполнить из стали марки С 245 по ГОСТ 27772-2021 или
аналогичной , соответствующей требованиям Приложения В СП 16.13330.2017;
4. Антикоррозийную защиту металлических конструкций выполнить в заводских условиях
методом горячего цинкования с последующим нанесением эмали КО -198 в 2 слоя
( суммарная толщина покрытия КО -198 составляет 200 мкм , расход на 1 слой 220 г / м 2 ,
S 1 слоя =8,7 м 2 );
5. Сварку выполнять в соответствии с ГОСТ 5264-80* электродами Э 42 по ГОСТ
9467-75;
6. Катеты сварных швов принимать по наименьшей толщине свариваемых элементов .
6
12-02/25- Нов -ПИР -4011- ТКР
Изм. Кол. уч. Лист № док. Подпись
Разраб.
Блинова
Проверил
ГИП
Невзоров
Блинов
Дата
08.25
08.25
08.25
Н.контр.
Смирнова
08.25
« Реконструкция ВЛ 110 кВ Окуловская -Варгусово / ВЛ 110 кВ Газовая - Варгусово ( ориентировочная протяженность двухцепного
участка ЛЭП 4,0 км ), ВЛ -10 кВ Л -1, Л -2, Л -3, Л -4 ПС 110 кВ Варгусово ( ориентировочная протяженность участков ЛЭП 24,74 км )
в Окуловском районе Новгородской области , входящих в единый недвижимый комплекс ПС 110/10 кВ Варгусово , участков ВЛ 110 кВ
Л .Окуловская -3, Л .Окуловская -5 от существующей ВЛ 110 кВ , и отходящих ЛЭП 10 кВ для электроснабжения объектов
технологического присоединения ГК "Росавтодор " ( БРТП №141, БРТП №149) ( Соглашение о компенсации № КРП -НОВ -00008/24 рег
№630/519/24 от 18.10.2024 г . с ООО "ВСМ Две Столицы "). 3 этап - Строительство участка Валдай ВСМ ( вкл .) - Выползово ВСМ
( вкл .)» ( ИП № Р _000-61-1-01.12-4011)
Технологические и конструктивные
решения линейного объекта .
Искусственные сооружения
Стадия
Лист
Листов
П
24.2
-
Закрепление промежуточной опоры ООО "Северэнергопроект "
П -2
Копировал
Формат А3
Спецификация
Опора П20-3Н
1
1
Опора П20-3Н
200
2
1
4
5
2000
1800
1
4
5
2
3
0.000
3
2
2
1
1
ГОСТ 8732-78
2
Кол
Масса Примечание
ед .кг
1
653.44
ГОСТ 2590-2006
Труба Ø377 х 9 L=8000 мм
Круг В 20, L=355 мм
3
0.88
3
ГОСТ 8509-93
Уголок 90 х 6, L=310 мм
2
2.58
4
ГОСТ 5915-70
Гайка М 20
6
5
ГОСТ 11371-78
6
6
ГОСТ 2590-2006
Шайба 20
Круг В 24, L=460 мм
1
1.63
2
1
2
210
4
5
Сварку производить
после затяжки гаек поз .4
на шпильках поз .2
Позиция 1
6
5
90
Ø40
90
1810
6-6
7
Концы опорного
стержня поз .6
приварить к трубе поз .1
5-5
2 отв .Ø40
7
Ø3
6
3-3
Заземляющий
выпуск
3
1
2
Заземляющий
выпуск
отв .Ø40
1
310
4
5
4-4
Позиция 3
3
4
6
1
Ø377
3
2
Ø25
-7.000
1
3
4
5
100
1
2
200 250
3000
4
4
5
3
2
210
3
минеральный
грунт
2-2
1-1
2
50
50
2 отв .Ø23
90
Подп. и дата
50
310
210
50
Позиция 2
М 20
1.5 х 45°
55
355
55
Ø40
77
8000
210
50
Ø3
Инв. № подл.
Наименование
Ø25
болото
Согласовано
Н.контр.
Взам. инв. № Провер.
Изм. внес
Обозначение
3000
Ø377
Заземляющий
выпуск
Поз .
2 отв .Ø25
5
1. За относительную отметку 0,000 принят уровень земли в основании места
расположения опоры ;
2. Все работы по установке фундаментов должны выполняться в соответствии с СП
45.13330.2017 Земляные сооружения , основания и фундаменты , СП 76.13330.2016
Электротехнические устройства , СП 70.13330.2012 Несущие и ограждающие конструкции ,
СП 72.13330.2016 Защита строительных конструкций и сооружений от коррозии ;
3. Металлические конструкции выполнить из стали марки С 245 по ГОСТ 27772-2021 или
аналогичной , соответствующей требованиям Приложения В СП 16.13330.2017;
4. Антикоррозийную защиту металлических конструкций выполнить в заводских условиях
методом горячего цинкования с последующим нанесением эмали КО -198 в 2 слоя
( суммарная толщина покрытия КО -198 составляет 200 мкм , расход на 1 слой 220 г / м 2 ,
S 1 слоя =10 м 2 );
5. Сварку выполнять в соответствии с ГОСТ 5264-80* электродами Э 42 по ГОСТ
9467-75;
6. Катеты сварных швов принимать по наименьшей толщине свариваемых элементов .
6
12-02/25- Нов -ПИР -4011- ТКР
Изм. Кол. уч. Лист № док. Подпись
Разраб.
Блинова
Проверил
ГИП
Невзоров
Блинов
Дата
08.25
08.25
08.25
Н.контр.
Смирнова
08.25
« Реконструкция ВЛ 110 кВ Окуловская -Варгусово / ВЛ 110 кВ Газовая - Варгусово ( ориентировочная протяженность двухцепного
участка ЛЭП 4,0 км ), ВЛ -10 кВ Л -1, Л -2, Л -3, Л -4 ПС 110 кВ Варгусово ( ориентировочная протяженность участков ЛЭП 24,74 км )
в Окуловском районе Новгородской области , входящих в единый недвижимый комплекс ПС 110/10 кВ Варгусово , участков ВЛ 110 кВ
Л .Окуловская -3, Л .Окуловская -5 от существующей ВЛ 110 кВ , и отходящих ЛЭП 10 кВ для электроснабжения объектов
технологического присоединения ГК "Росавтодор " ( БРТП №141, БРТП №149) ( Соглашение о компенсации № КРП -НОВ -00008/24 рег
№630/519/24 от 18.10.2024 г . с ООО "ВСМ Две Столицы "). 3 этап - Строительство участка Валдай ВСМ ( вкл .) - Выползово ВСМ
( вкл .)» ( ИП № Р _000-61-1-01.12-4011)
Технологические и конструктивные
решения линейного объекта .
Искусственные сооружения
Стадия
Лист
Листов
П
24.3
-
Закрепление промежуточной опоры ООО "Северэнергопроект "
П -3
Копировал
Формат А3
Спецификация
Опора П20-3Н
1
1
Опора П20-3Н
200
2
1
4
5
2000
1800
1
4
5
2
3
0.000
3
2
2
1
1
ГОСТ 8732-78
2
Кол
Масса Примечание
ед .кг
1
735.12
ГОСТ 2590-2006
Труба Ø377 х 9 L=9000 мм
Круг В 20, L=355 мм
3
0.88
3
ГОСТ 8509-93
Уголок 90 х 6, L=310 мм
2
2.58
4
ГОСТ 5915-70
Гайка М 20
6
5
ГОСТ 11371-78
6
6
ГОСТ 2590-2006
Шайба 20
Круг В 24, L=460 мм
1
1.63
2
1
2
210
4
5
Сварку производить
после затяжки гаек поз .4
на шпильках поз .2
Позиция 1
6
5
90
Ø40
90
1810
6-6
7
Концы опорного
стержня поз .6
приварить к трубе поз .1
5-5
2 отв .Ø40
7
Ø3
6
3-3
Заземляющий
выпуск
3
1
2
Заземляющий
выпуск
отв .Ø40
1
310
4
5
4-4
Позиция 3
3
4
6
1
Ø377
3
2
Ø25
-7.000
1
3
4
5
100
1
2
200 250
3000
4
4
5
3
2
210
3
минеральный
грунт
2-2
1-1
2
50
50
2 отв .Ø23
90
Подп. и дата
50
310
210
50
Позиция 2
М 20
1.5 х 45°
55
355
55
Ø40
77
9000
210
50
Ø3
Инв. № подл.
Наименование
Ø25
болото
Согласовано
Н.контр.
Взам. инв. № Провер.
Изм. внес
Обозначение
4000
Ø377
Заземляющий
выпуск
Поз .
2 отв .Ø25
5
1. За относительную отметку 0,000 принят уровень земли в основании места
расположения опоры ;
2. Все работы по установке фундаментов должны выполняться в соответствии с СП
45.13330.2017 Земляные сооружения , основания и фундаменты , СП 76.13330.2016
Электротехнические устройства , СП 70.13330.2012 Несущие и ограждающие конструкции ,
СП 72.13330.2016 Защита строительных конструкций и сооружений от коррозии ;
3. Металлические конструкции выполнить из стали марки С 245 по ГОСТ 27772-2021 или
аналогичной , соответствующей требованиям Приложения В СП 16.13330.2017;
4. Антикоррозийную защиту металлических конструкций выполнить в заводских условиях
методом горячего цинкования с последующим нанесением эмали КО -198 в 2 слоя
( суммарная толщина покрытия КО -198 составляет 200 мкм , расход на 1 слой 220 г / м 2 ,
S 1 слоя =11 м 2 );
5. Сварку выполнять в соответствии с ГОСТ 5264-80* электродами Э 42 по ГОСТ
9467-75;
6. Катеты сварных швов принимать по наименьшей толщине свариваемых элементов .
6
12-02/25- Нов -ПИР -4011- ТКР
Изм. Кол. уч. Лист № док. Подпись
Разраб.
Блинова
Проверил
ГИП
Невзоров
Блинов
Дата
08.25
08.25
08.25
Н.контр.
Смирнова
08.25
« Реконструкция ВЛ 110 кВ Окуловская -Варгусово / ВЛ 110 кВ Газовая - Варгусово ( ориентировочная протяженность двухцепного
участка ЛЭП 4,0 км ), ВЛ -10 кВ Л -1, Л -2, Л -3, Л -4 ПС 110 кВ Варгусово ( ориентировочная протяженность участков ЛЭП 24,74 км )
в Окуловском районе Новгородской области , входящих в единый недвижимый комплекс ПС 110/10 кВ Варгусово , участков ВЛ 110 кВ
Л .Окуловская -3, Л .Окуловская -5 от существующей ВЛ 110 кВ , и отходящих ЛЭП 10 кВ для электроснабжения объектов
технологического присоединения ГК "Росавтодор " ( БРТП №141, БРТП №149) ( Соглашение о компенсации № КРП -НОВ -00008/24 рег
№630/519/24 от 18.10.2024 г . с ООО "ВСМ Две Столицы "). 3 этап - Строительство участка Валдай ВСМ ( вкл .) - Выползово ВСМ
( вкл .)» ( ИП № Р _000-61-1-01.12-4011)
Технологические и конструктивные
решения линейного объекта .
Искусственные сооружения
Стадия
Лист
Листов
П
24.4
-
Закрепление промежуточной опоры ООО "Северэнергопроект "
П -4
Копировал
Формат А3
Спецификация
800
10
47°
4
5
100
В
3
515
3
108
106
2500
Св -1
4
5
Заземляющий
выпуск
3
2
1
100
887
131 131
3
2-2
2
3
3
2
32
106
1
4
5
2
3
0.000
1-1
2
1
+1.000
Г
Б
3
1
600
330
515
А
Опора П20-3Н
210
Опора П20-3Н
Позиция 19
210
А
2
Заземляющий
выпуск
Ø377
1
2
Заземляющий
выпуск
Сварку производить
после затяжки гаек поз .4
на шпильках поз .2
Св -1
В
Б
1
50
22
1
6
7
Ф 240
ГОСТ 8732-78
2
Масса Примечание
ед .кг
1
285.88
ГОСТ 2590-2006
Труба Ø377 х 9 L=3500 мм
Круг В 20, L=355 мм
2
0.88
3
ГОСТ 8509-93
Уголок 90 х 6, L=310 мм
2
2.58
4
ГОСТ 5915-70
Гайка М 20
4
5
ГОСТ 11371-78
Шайба 20
4
6
ГОСТ 19903-2015
-12 х 400 l=400 мм
1
15,07
7
ГОСТ 8509-93
Уголок 50 х 5, L=200 мм
16
0.75
8
ГОСТ 8509-93
Уголок 75 х 6, L=1360 мм
16
9
ГОСТ 19903-2015
8
10
ГОСТ 8509-93
-6 х 145 l=130 мм
Уголок 50 х 5, L=725 мм
9.37
0,89
11
ГОСТ 19903-2015
-6 х 130 l=330 мм
4
2.73
2,05
12
ГОСТ 19903-2015
-6 х 240 l=240 мм
2
2,71
2
м3
630
0,63
Засыпка полости
свай
м3
0,14
Засыпка полости
8
50
13
52 78
28
8
Св -1
ТУ 5264-005-82096320-2013 ВСЛ .10.219.09 Г 2 С .500.35 Л
Смесь сухая цем -песч . 1:4
ГОСТ 31357-2007
Песок
20
105 60 60 105
112
Св-1
Кол
Г
Схема расположения свайного фундамента
Деталь 6
Ось ВЛ
11
16
0
40
Ø
1500
Наименование
ГОСТ 8736-2014
Св-1
Св-1
1
Ф 500
3000
Ф 500
32
15
6
12
47°
Обозначение
15
Оголовок Св-1
-9.200
9
75 75
5
Ф 377
минеральный
грунт
117
10
7
72 65
пазухи заполнить песком
25
-2.500
20
болото
Поз .
10
87°
10
1500
3000
Опора П20-3Н 3-3
Св -1
Деталь 12
Ø2
Подп. и дата
Согласовано
Н.контр.
Взам. инв. № Провер.
Изм. внес
Инв. № подл.
62 68
1500
40
79 65
1500
Деталь 9
76 69
Св -1
130
4
4-4
3500
Ø40
Ø40
900
1. За относительную отметку 0,000 принят уровень земли в основании места
расположения опоры ;
2. Все работы по установке фундаментов должны выполняться в соответствии с СП
45.13330.2017 Земляные сооружения , основания и фундаменты , СП 76.13330.2016
Электротехнические устройства , СП 70.13330.2012 Несущие и ограждающие конструкции , СП
72.13330.2016 Защита строительных конструкций и сооружений от коррозии ;
3. Металлические конструкции выполнить из стали марки С 245 по ГОСТ 27772-2021 или
аналогичной , соответствующей требованиям Приложения В СП 16.13330.2017;
4. Антикоррозийную защиту металлических конструкций выполнить в заводских условиях
методом горячего цинкования с последующим нанесением эмали КО -198 в 2 слоя ( суммарная
толщина покрытия КО -198 составляет 200 мкм , расход на 1 слой 220 г / м 2 , S 1 слоя =16 м 2 );
5. Сварку выполнять в соответствии с ГОСТ 5264-80* электродами Э 42 по ГОСТ
9467-75;
6. Катеты сварных швов принимать по наименьшей толщине свариваемых элементов ;
7. Полость свай заполняется сухой цементно -песчаной смесью с соотношением
цемент:песок 1:4;
8. В пазухи между ж / б опорой и позицией 1 выполнить засыпку песком до уровня земли .
12-02/25- Нов -ПИР -4011- ТКР
77
Ø3
2 отв .Ø40
4
Изм. Кол. уч. Лист № док. Подпись
Разраб.
Махалова
Проверил
ГИП
Невзоров
Блинов
Дата
08.25
08.25
08.25
Н.контр.
Смирнова
08.25
« Реконструкция ВЛ 110 кВ Окуловская -Варгусово / ВЛ 110 кВ Газовая - Варгусово ( ориентировочная протяженность двухцепного
участка ЛЭП 4,0 км ), ВЛ -10 кВ Л -1, Л -2, Л -3, Л -4 ПС 110 кВ Варгусово ( ориентировочная протяженность участков ЛЭП 24,74 км )
в Окуловском районе Новгородской области , входящих в единый недвижимый комплекс ПС 110/10 кВ Варгусово , участков ВЛ 110 кВ
Л .Окуловская -3, Л .Окуловская -5 от существующей ВЛ 110 кВ , и отходящих ЛЭП 10 кВ для электроснабжения объектов
технологического присоединения ГК "Росавтодор " ( БРТП №141, БРТП №149) ( Соглашение о компенсации № КРП -НОВ -00008/24 рег
№630/519/24 от 18.10.2024 г . с ООО "ВСМ Две Столицы "). 3 этап - Строительство участка Валдай ВСМ ( вкл .) - Выползово ВСМ
( вкл .)» ( ИП № Р _000-61-1-01.12-4011)
Технологические и конструктивные
решения линейного объекта .
Искусственные сооружения
Стадия
Лист
Листов
П
24.5
-
Закрепление промежуточной опоры ООО "Северэнергопроект "
П -5
Копировал
Формат А2
Спецификация
2
Опора УП20-3Н
1
4
3
2
2
1
Заземляющий
выпуск
Ø377
3
3000
2
3
210
4
5
7
-4.000
2
3
4
0.88
3
ГОСТ 8509-93
Уголок 90 х 6, L=310 мм
4
2.58
4
ГОСТ 5915-70
Гайка М 20
8
5
ГОСТ 11371-78
8
6
ГОСТ 2590-2006
Шайба 20
Круг В 24, L=460 мм
1
1.63
7
ГОСТ 8732-78
Труба Ø377 х 9 L=4700 мм
1
383.90
8
ГОСТ 8732-78
Труба Ø377 х 9 L=1200 мм
1
98.02
9
ГОСТ 19903-2015
- 20 х 450, L=450 мм
2
31.79
10
ГОСТ 19903-2015
- 10 х 90, L=200 мм
8
1.41
11
ГОСТ 19903-2015
- 10 х 170, L=300 мм
2
4.00
12
ГОСТ 19903-2015
- 10 х 170, L=300 мм
2
4.00
13
ГОСТ 19903-2015
- 10 х 100, L=260 мм
1
2.04
14
ГОСТ 19903-2015
- 10 х 100, L=200 мм
1
1.57
15
ГОСТ 19903-2015
- 10 х 90, L=100 мм
2
0.71
16
ГОСТ Р ИСО 4014-2013
Болт М 24 х 90
2
17
ГОСТ ISO 4032-2014
Гайка М 24
4
0.00
18
ГОСТ 11371-78
Шайба 24
4
0.00
6
Концы опорного
стержня поз .6
приварить к трубе поз .1
80
50
2 отв .Ø23
10
50
90
Позиция 11
90
А
Позиция 2
Ø25
2 отв .Ø40
1810
6-6
77
Ø3
90
5-5
1.5 х 45°
Ø40
М 20
5
7
300
50
150
Ø25
12
210
50
Позиция 1
6
61 109
100
200 170
20
10
310
310
13
170
9
Позиция 10
50
9
200
11
Позиция 3
210
20
10
А
55
55
355
150
Ø27
119
181
А-А
15
300
6000
Позиция 15
Ø40
2 отв .Ø25
80
5
10
450
11
225
225
450
9
90
95
130
14
15
6
130
13
12
95
115
220
115
11
1. За относительную отметку 0,000 принят уровень земли в основании места расположения
опоры ;
2. Все работы по установке фундаментов должны выполняться в соответствии с СП
45.13330.2017 Земляные сооружения , основания и фундаменты , СП 76.13330.2016
Электротехнические устройства , СП 70.13330.2012 Несущие и ограждающие конструкции , СП
72.13330.2016 Защита строительных конструкций и сооружений от коррозии ;
3. Металлические конструкции выполнить из стали марки С 245 по ГОСТ 27772-2021 или
аналогичной , соответствующей требованиям Приложения В СП 16.13330.2017;
4. Антикоррозийную защиту металлических конструкций выполнить в заводских условиях
методом горячего цинкования с последующим нанесением эмали КО -198 в 2 слоя ( суммарная
толщина покрытия КО -198 составляет 200 мкм , расход на 1 слой 220 г / м 2 , S 1 слоя =17 м 2 );
5. Сварку выполнять в соответствии с ГОСТ 5264-80* электродами Э 42 по ГОСТ 9467-75;
6. Катеты сварных швов принимать по наименьшей толщине свариваемых элементов .
10
100
20
130
16
17
18
77
Ø3
Подп. и дата
1
4
5
8
15
ГОСТ 2590-2006
4-4
1
2
490.08
Сварку производить
после затяжки гаек поз .4
на шпильках поз .2
1
2
Заземляющий
выпуск
3-3
Инв. № подл.
Заземляющий
выпуск
3
1
170
3000
минеральный
грунт
3
1
210
1000 720
1000
2000
200
1800
0
болото
2
2
Труба Ø377 х 9 L=6000 мм
Круг В 20, L=355 мм
109
120
0.000
2-2
1-1
5260
Согласовано
Н.контр.
Взам. инв. № Провер.
Изм. внес
отв .Ø40
1
3
8
1
Выполнить в трубе
отверстие Ø40
для стока воды
4
6
1
1
2
3
4
5
2
ГОСТ 8732-78
Масса Примечание
ед .кг
200
3
4
5
1
Кол
190
3
4
5
2
100
8700
4
5
200 250
Опора УП20-3Н
Наименование
90
1
Обозначение
10
1
Поз .
90
12-02/25- Нов -ПИР -4011- ТКР
Изм. Кол. уч. Лист № док. Подпись
Разраб.
Блинова
Проверил
ГИП
Невзоров
Блинов
Дата
08.25
08.25
08.25
Н.контр.
Смирнова
08.25
« Реконструкция ВЛ 110 кВ Окуловская -Варгусово / ВЛ 110 кВ Газовая - Варгусово ( ориентировочная протяженность двухцепного
участка ЛЭП 4,0 км ), ВЛ -10 кВ Л -1, Л -2, Л -3, Л -4 ПС 110 кВ Варгусово ( ориентировочная протяженность участков ЛЭП 24,74 км )
в Окуловском районе Новгородской области , входящих в единый недвижимый комплекс ПС 110/10 кВ Варгусово , участков ВЛ 110 кВ
Л .Окуловская -3, Л .Окуловская -5 от существующей ВЛ 110 кВ , и отходящих ЛЭП 10 кВ для электроснабжения объектов
технологического присоединения ГК "Росавтодор " ( БРТП №141, БРТП №149) ( Соглашение о компенсации № КРП -НОВ -00008/24 рег
№630/519/24 от 18.10.2024 г . с ООО "ВСМ Две Столицы "). 3 этап - Строительство участка Валдай ВСМ ( вкл .) - Выползово ВСМ
( вкл .)» ( ИП № Р _000-61-1-01.12-4011)
Технологические и конструктивные
решения линейного объекта .
Искусственные сооружения
Стадия
Лист
Листов
П
24.6
-
Закрепление промежуточной угловой ООО "Северэнергопроект "
опоры П -6
Копировал
Формат А2
Спецификация
Схема установки стоек
Вид А
Вид Б
2
1
Поз .
Обозначение
Наименование
1
ГОСТ 8732-78
2
Кол
Масса Примечание
ед .кг
Б
1
1
4
5
5260
3
4
5
2
3
А
3
2
1
8450
8700
2
Заземляющий
выпуск
Ø377
Опора УА20-3Н
3
1
3
1
425
минеральный
грунт
-4.000
5260
210
2
Заземляющий
выпуск
2-2
2
3
-4.000
19
4
5
0.000
1000
болото
3000
3000
7
8
1000
0.000
2000
200
1800
1000 720
1000
2000
200
1800
3000
минеральный
грунт
1
3
0
120
0
3
3000
120
2
2
1
8
болото
отв .Ø40
1-1
1
1
4
6
1
Опора УА20-3Н
3
4
5
2
200 250
4
4
5
100
5180
Опора УА20-3Н
Заземляющий
выпуск
3
1
490.08
ГОСТ 2590-2006
Труба Ø377 х 9 L=6000 мм
Круг В 20, L=355 мм
6
0.88
3
ГОСТ 8509-93
Уголок 90 х 6, L=310 мм
6
2.58
4
ГОСТ 5915-70
Гайка М 20
12
5
ГОСТ 11371-78
12
6
ГОСТ 2590-2006
Шайба 20
Круг В 24, L=460 мм
1
1.63
7
ГОСТ 8732-78
Труба Ø377 х 9 L=4700 мм
1
383.90
8
ГОСТ 8732-78
Труба Ø377 х 9 L=1200 мм
2
98.02
9
ГОСТ 19903-2015
- 20 х 450, L=450 мм
4
31.79
10
ГОСТ 19903-2015
- 10 х 90, L=200 мм
16
1.41
11
ГОСТ 19903-2015
- 10 х 170, L=300 мм
4
4.00
12
ГОСТ 19903-2015
- 10 х 170, L=300 мм
4
4.00
13
ГОСТ 19903-2015
- 10 х 100, L=260 мм
2
2.04
14
ГОСТ 19903-2015
- 10 х 100, L=200 мм
2
1.57
15
ГОСТ 19903-2015
- 10 х 90, L=100 мм
4
0.71
16
ГОСТ Р ИСО 4014-2013
Болт М 24 х 90
4
17
ГОСТ ISO 4032-2014
Гайка М 24
8
18
ГОСТ 11371-78
8
19
ГОСТ 8732-78
Шайба 24
Труба Ø377 х 9 L=4405 мм
1
359.80
210
5180
4-4
Позиция 1
6
80
Ø25
6000
Позиция 15
95
5
6
130
95
11
10
Позиция 2
55
355
Ø27
150
150
300
10
1. За относительную отметку 0,000 принят уровень земли в основании места расположения опоры ;
2. Все работы по установке фундаментов должны выполняться в соответствии с СП 45.13330.2017 Земляные
сооружения , основания и фундаменты , СП 76.13330.2016 Электротехнические устройства , СП 70.13330.2012
Несущие и ограждающие конструкции , СП 72.13330.2016 Защита строительных конструкций и сооружений от
коррозии ;
3. Металлические конструкции выполнить из стали марки С 245 по ГОСТ 27772-2021 или аналогичной ,
соответствующей требованиям Приложения В СП 16.13330.2017;
4. Антикоррозийную защиту металлических конструкций выполнить в заводских условиях методом горячего
цинкования с последующим нанесением эмали КО -198 в 2 слоя ( суммарная толщина покрытия КО -198
составляет 200 мкм , расход на 1 слой 220 г / м 2 , S 1 слоя =25 м 2 );
5. Сварку выполнять в соответствии с ГОСТ 5264-80* электродами Э 42 по ГОСТ 9467-75;
6. Катеты сварных швов принимать по наименьшей толщине свариваемых элементов .
90
12-02/25- Нов -ПИР -4011- ТКР
310
55
50
2 отв .Ø23
50
450
9
М 20
225
181
210
1.5 х 45°
50
225
90
450
310
130
14
80
Позиция 3
90
115
220
115
13
12
200
Ø40
2 отв .Ø25
11
119
185
100
300
90
Инв. № подл.
Подп. и дата
Согласовано
Н.контр.
Взам. инв. № Провер.
Изм. внес
130
90
16
17
18
77
Ø3
20
Ø40
7
1810
Ø27
115
6-6
7
Ø3
90
А-А
5-5
2 отв .Ø40
190
5
7
150
10
10
12
Ø25
10
Позиция 10
150
170
А
100
200 170
20
11
9
15
300
61 109
13
Позиция 12
Позиция 11
9
170
А
15
Сварку производить
после затяжки гаек поз .4
на шпильках поз .2
1
20
200
10
15
2
102
8
Выполнить в трубе
отверстие Ø40
для стока воды
Концы опорного
стержня поз .6
приварить к трубе поз .1
59
4
5 6
111
2
170
1
1
3
109
3-3
50
210
Изм. Кол. уч. Лист № док. Подпись
Разраб.
Блинова
Проверил
ГИП
Невзоров
Блинов
Дата
08.25
08.25
08.25
Н.контр.
Смирнова
08.25
50
« Реконструкция ВЛ 110 кВ Окуловская -Варгусово / ВЛ 110 кВ Газовая - Варгусово ( ориентировочная протяженность двухцепного
участка ЛЭП 4,0 км ), ВЛ -10 кВ Л -1, Л -2, Л -3, Л -4 ПС 110 кВ Варгусово ( ориентировочная протяженность участков ЛЭП 24,74 км )
в Окуловском районе Новгородской области , входящих в единый недвижимый комплекс ПС 110/10 кВ Варгусово , участков ВЛ 110 кВ
Л .Окуловская -3, Л .Окуловская -5 от существующей ВЛ 110 кВ , и отходящих ЛЭП 10 кВ для электроснабжения объектов
технологического присоединения ГК "Росавтодор " ( БРТП №141, БРТП №149) ( Соглашение о компенсации № КРП -НОВ -00008/24 рег
№630/519/24 от 18.10.2024 г . с ООО "ВСМ Две Столицы "). 3 этап - Строительство участка Валдай ВСМ ( вкл .) - Выползово ВСМ
( вкл .)» ( ИП № Р _000-61-1-01.12-4011)
Технологические и конструктивные
решения линейного объекта .
Искусственные сооружения
Закрепление угловой анкерной
опоры А -1
Копировал
Стадия
Лист
Листов
П
24.7
-
ООО "Северэнергопроект "
Формат А2
Спецификация
Схема установки стоек
Вид А
Вид Б
2
1
Поз .
Обозначение
Наименование
1
ГОСТ 8732-78
2
Кол
Масса Примечание
ед .кг
Б
1
1
4
5
5260
3
4
5
2
3
А
3
2
1
8450
8700
2
Заземляющий
выпуск
Ø377
3
425
болото
2
Заземляющий
выпуск
5180
Гайка М 20
12
5
ГОСТ 11371-78
12
6
ГОСТ 2590-2006
Шайба 20
Круг В 24, L=460 мм
1
1.63
7
ГОСТ 8732-78
Труба Ø377 х 9 L=5700 мм
1
465.58
8
ГОСТ 8732-78
Труба Ø377 х 9 L=1200 мм
2
98.02
9
ГОСТ 19903-2015
- 20 х 450, L=450 мм
4
31.79
10
ГОСТ 19903-2015
- 10 х 90, L=200 мм
16
1.41
11
ГОСТ 19903-2015
- 10 х 170, L=300 мм
4
4.00
12
ГОСТ 19903-2015
- 10 х 170, L=300 мм
4
4.00
13
ГОСТ 19903-2015
- 10 х 100, L=260 мм
2
2.04
14
ГОСТ 19903-2015
- 10 х 100, L=200 мм
2
1.57
15
ГОСТ 19903-2015
- 10 х 90, L=100 мм
4
0.71
16
ГОСТ Р ИСО 4014-2013
Болт М 24 х 90
4
17
ГОСТ ISO 4032-2014
Гайка М 24
8
18
ГОСТ 11371-78
8
19
ГОСТ 8732-78
Шайба 24
Труба Ø377 х 9 L=5405 мм
Сварку производить
после затяжки гаек поз .4
на шпильках поз .2
1
Позиция 1
6
80
Ø25
7000
Ø40
Позиция 15
2 отв .Ø25
5
300
6
130
450
310
95
11
10
90
130
14
Позиция 2
355
119
181
115
185
Ø27
150
150
300
10
1. За относительную отметку 0,000 принят уровень земли в основании места расположения опоры ;
2. Все работы по установке фундаментов должны выполняться в соответствии с СП 45.13330.2017 Земляные
сооружения , основания и фундаменты , СП 76.13330.2016 Электротехнические устройства , СП 70.13330.2012
Несущие и ограждающие конструкции , СП 72.13330.2016 Защита строительных конструкций и сооружений от
коррозии ;
3. Металлические конструкции выполнить из стали марки С 245 по ГОСТ 27772-2021 или аналогичной ,
соответствующей требованиям Приложения В СП 16.13330.2017;
4. Антикоррозийную защиту металлических конструкций выполнить в заводских условиях методом горячего
цинкования с последующим нанесением эмали КО -198 в 2 слоя ( суммарная толщина покрытия КО -198
составляет 200 мкм , расход на 1 слой 220 г / м 2 , S 1 слоя =29 м 2 );
5. Сварку выполнять в соответствии с ГОСТ 5264-80* электродами Э 42 по ГОСТ 9467-75;
6. Катеты сварных швов принимать по наименьшей толщине свариваемых элементов .
90
12-02/25- Нов -ПИР -4011- ТКР
310
55
50
55
Ø27
50
2 отв .Ø23
90
450
9
М 20
225
150
210
1.5 х 45°
50
225
80
Позиция 3
90
13
12
150
100
95
11
200
190
7
Ø25
Ø40
90
16
17
18
Позиция 12
Позиция 11
6-6
7
Ø3
1810
300
5-5
2 отв .Ø40
77
Ø3
130
441.48
10
10
5
20
1
170
2
102
Концы опорного
стержня поз .6
приварить к трубе поз .1
Позиция 10
12
А-А
115
ГОСТ 5915-70
А
90
220
4
61 109
13
7
115
2.58
59
4
5 6
100
200 170
20
10
Подп. и дата
6
9
170
11
9
Инв. № подл.
Уголок 90 х 6, L=310 мм
20
200
А
Согласовано
Н.контр.
Взам. инв. № Провер.
Изм. внес
ГОСТ 8509-93
111
2
10
15
3
170
1
1
8
15
0.88
4-4
3-3
3
6
-4.000
5260
15
Заземляющий
выпуск
3
571.76
210
-5.000
Выполнить в трубе
отверстие Ø40
для стока воды
2
3
3000
3000
1
3000
3000
1
минеральный
грунт 19
4
5
0.000
2000
2000
8
2-2
минеральный 7
грунт
3
210
2000
200
1800
0.000
2000
2000
720
2000
200
1800
1
3
0
120
0
3
8
болото
2
1
120
2
1-1
1
1
отв .Ø40
1
Опора УА20-3Н
4
6
1
ГОСТ 2590-2006
Труба Ø377 х 9 L=7000 мм
Круг В 20, L=355 мм
109
Опора УА20-3Н
3
4
5
2
200 250
4
4
5
100
5180
Опора УА20-3Н
50
210
Изм. Кол. уч. Лист № док. Подпись
Разраб.
Блинова
Проверил
ГИП
Невзоров
Блинов
Дата
08.25
08.25
08.25
Н.контр.
Смирнова
08.25
50
« Реконструкция ВЛ 110 кВ Окуловская -Варгусово / ВЛ 110 кВ Газовая - Варгусово ( ориентировочная протяженность двухцепного
участка ЛЭП 4,0 км ), ВЛ -10 кВ Л -1, Л -2, Л -3, Л -4 ПС 110 кВ Варгусово ( ориентировочная протяженность участков ЛЭП 24,74 км )
в Окуловском районе Новгородской области , входящих в единый недвижимый комплекс ПС 110/10 кВ Варгусово , участков ВЛ 110 кВ
Л .Окуловская -3, Л .Окуловская -5 от существующей ВЛ 110 кВ , и отходящих ЛЭП 10 кВ для электроснабжения объектов
технологического присоединения ГК "Росавтодор " ( БРТП №141, БРТП №149) ( Соглашение о компенсации № КРП -НОВ -00008/24 рег
№630/519/24 от 18.10.2024 г . с ООО "ВСМ Две Столицы "). 3 этап - Строительство участка Валдай ВСМ ( вкл .) - Выползово ВСМ
( вкл .)» ( ИП № Р _000-61-1-01.12-4011)
Технологические и конструктивные
решения линейного объекта .
Искусственные сооружения
Закрепление угловой анкерной
опоры А -2
Копировал
Стадия
Лист
Листов
П
24.8
-
ООО "Северэнергопроект "
Формат А2
Вид А
Вид Б
Спецификация
Схема расположения свай и стоек опоры
1-1
3
1
1500
1500
Св -1
Св -1
1000
0.000
1
2-2
Заземляющий
выпуск
Ø377
2
3
19
В
Св -1
2
3-3
Св -1
1
3
минеральный
грунт
-9.200
4
1500
3
4
5
2
2
4
5
4
6
675
1500
-9.200
4
5
250
минеральный
грунт Св -1
Сварку производить
после затяжки гаек поз .4
на шпильках поз .2
1
5180
Св -1
Заземляющий
выпуск
3
А
2500
2500
2
2
2
болото
5260
В-В
1
Опора УА20-3Н
Ф 240
+2.575
4-4
отв .Ø40
1
100
А
Св -1
15
2500
Св -1
11
9
10
1500
1500
13
ГОСТ 8509-93
Уголок 90 х 6, L=310 мм
6
2.58
4
ГОСТ 5915-70
Гайка М 20
12
5
ГОСТ 11371-78
12
6
ГОСТ 2590-2006
Шайба 20
Круг В 24, L=460 мм
1
1.63
7
ГОСТ 8732-78
Труба Ø377 х 9 L=3795 мм
1
309.98
8
ГОСТ 8732-78
Труба Ø377 х 9 L=1200 мм
2
98.02
9
ГОСТ 19903-2015
- 20 х 450, L=450 мм
4
31.79
10
ГОСТ 19903-2015
- 10 х 90, L=200 мм
16
1.41
11
ГОСТ 19903-2015
- 10 х 170, L=300 мм
4
4.00
12
ГОСТ 19903-2015
- 10 х 170, L=300 мм
4
4.00
13
ГОСТ 19903-2015
- 10 х 100, L=260 мм
2
2.04
14
ГОСТ 19903-2015
- 10 х 100, L=200 мм
2
1.57
15
ГОСТ 19903-2015
- 10 х 90, L=100 мм
4
0.71
16
ГОСТ Р ИСО 4014-2013
Болт М 24 х 90
4
17
ГОСТ ISO 4032-2014
Гайка М 24
8
18
ГОСТ 11371-78
8
19
ГОСТ 8732-78
Шайба 24
Труба Ø377 х 9 L=3500 мм
1
285.88
20
ГОСТ 8509-93
Уголок 50 х 5, L=200 мм
48
0.75
21
ГОСТ 8509-93
Уголок 75 х 6, L=1360 мм
48
22
ГОСТ 19903-2015
24
23
ГОСТ 8509-93
-6 х 145 l=130 мм
Уголок 50 х 5, L=725 мм
9.37
0,89
24
ГОСТ 19903-2015
-6 х 130 l=330 мм
12
2.73
2,05
25
ГОСТ 19903-2015
-6 х 240 l=240 мм
6
2,71
6
630
24
ТУ 5264-005-82096320-2013 ВСЛ .10.219.09 Г 2 С .500.35 Л
Смесь сухая цем -песч . 1:4
ГОСТ 31357-2007
1.9
м3
12
7
Позиция 7
14
2 отв .Ø40
6-6
11
15
225
225
8
310
190
130
90
90
10
90
Деталь 25
112
21
87°
23
119
181
185
150
150
300
12-02/25- Нов -ПИР -4011- ТКР
170
Ø27
102
50
61 109
90
50
210
Ø27
115
150
59
150
50
55
300
Ø240
111
310
50
2 отв .Ø23
170
50
52 78
28
Позиция 12
Позиция 11
210
1.5 х 45°
109
Позиция 2
7
72 65
25
90
10
2 отв .Ø40
Позиция 15
10
80
76 69
Позиция 3
Ø
79 65
3500
7
37
80
10
77
62 68
6
50
13
1. За относительную отметку 0,000 принят уровень земли в основании места расположения опоры ;
2. Все работы по установке фундаментов должны выполняться в соответствии с СП 45.13330.2017 Земляные
сооружения , основания и фундаменты , СП 76.13330.2016 Электротехнические устройства , СП 70.13330.2012
Несущие и ограждающие конструкции , СП 72.13330.2016 Защита строительных конструкций и сооружений от
коррозии ;
3. Металлические конструкции выполнить из стали марки С 245 по ГОСТ 27772-2021 или аналогичной ,
соответствующей требованиям Приложения В СП 16.13330.2017;
4. Антикоррозийную защиту металлических конструкций выполнить в заводских условиях методом горячего
цинкования с последующим нанесением эмали КО -198 в 2 слоя ( суммарная толщина покрытия КО -198
составляет 200 мкм , расход на 1 слой 220 г / м , S 1 слоя =51 м 2 );
5. Сварку выполнять в соответствии с ГОСТ 5264-80* электродами Э 42 по ГОСТ 9467-75;
6. Катеты сварных швов принимать по наименьшей толщине свариваемых элементов ;
7. Полость свай заполняется цементно -песчаной смесью с соотношением цемент:песок 1:4.
Позиция 10
Деталь 22
2 отв .Ø25
5
32
15
23
24
9
900
Ø40
105 60 60 105
450
8-8
Ø40
Ø25
Ø25
77
Ø3
Позиция 19
8
Ø3
5075
Ø40
47°
95
5-5
2 отв .Ø40
115
7
5
200
6
450
12
7
130
13
117
21
130
Позиция 1
220
3795
7
7
Ø3
23
16
11
115
Ø40
21
Ф 500
3000
665
300
6
15
1195
130
22
75 75
5
15
Ø40
Ф 500
20
7-7
22
1
95
Св -1
16
17
18
50
20
А-А
Ø40
минеральный
грунт
5
4
-9.200
М 20
3
А
-2.500
7
Подп. и дата
0.88
9
170
Опора УА20-3Н
10
200
108
106
Ф 377
Инв. № подл.
6
20
0.000
болото
Согласовано
Н.контр.
Взам. инв. № Провер.
Изм. внес
414.53
100
200 170
20
600
800
47°
887
131 131
355
1
ГОСТ 2590-2006
Труба Ø377 х 9 L=5075 мм
Круг В 20, L=355 мм
20
23
1
55
Масса Примечание
ед .кг
8
Выполнить в трубе
отверстие Ø40
для стока воды
Г-Г
1810
2
Кол
3
100
6
4
515
Г
Св -1
Наименование
Св-1
330
515
32
106
ГОСТ 8732-78
Концы опорного
стержня поз .6
приварить к трубе поз .1
6
5
1
Св -1
6
26
Г
Обозначение
Оголовок Св-1
100
Св -1
Заземляющий
выпуск
3
210
8
1
3
Св -1
5260
0.000
7
болото
2500
1
2575
5075
775
1295
2575
8
3
0
120
1800
0
120
2
3
1500
1
2
Св -1
Св -1
4
5
4
5
2
1500
1
1
Б
1500
Опора УА20-3Н
1
4
5
1500
5180
8450
8700
Опора УА20-3Н
3
Опора УА20-3Н
1
В
1
210
Св -1
2
Поз .
Изм. Кол. уч. Лист № док. Подпись
Разраб.
Махалова
Проверил
ГИП
Невзоров
Блинов
Дата
08.25
08.25
08.25
Н.контр.
Смирнова
08.25
« Реконструкция ВЛ 110 кВ Окуловская -Варгусово / ВЛ 110 кВ Газовая - Варгусово ( ориентировочная протяженность двухцепного
участка ЛЭП 4,0 км ), ВЛ -10 кВ Л -1, Л -2, Л -3, Л -4 ПС 110 кВ Варгусово ( ориентировочная протяженность участков ЛЭП 24,74 км )
в Окуловском районе Новгородской области , входящих в единый недвижимый комплекс ПС 110/10 кВ Варгусово , участков ВЛ 110 кВ
Л .Окуловская -3, Л .Окуловская -5 от существующей ВЛ 110 кВ , и отходящих ЛЭП 10 кВ для электроснабжения объектов
технологического присоединения ГК "Росавтодор " ( БРТП №141, БРТП №149) ( Соглашение о компенсации № КРП -НОВ -00008/24 рег
№630/519/24 от 18.10.2024 г . с ООО "ВСМ Две Столицы "). 3 этап - Строительство участка Валдай ВСМ ( вкл .) - Выползово ВСМ
( вкл .)» ( ИП № Р _000-61-1-01.12-4011)
Технологические и конструктивные
решения линейного объекта .
Искусственные сооружения
Закрепление угловой анкерной
опоры А -3
Копировал
Стадия
Лист
Листов
П
24.9
-
ООО "Северэнергопроект "
Формат А1